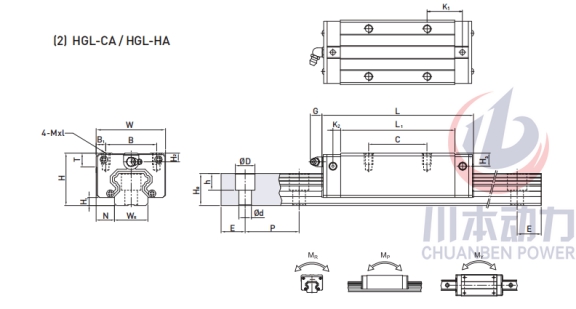
HGL45HA 臺灣HIWIN滑塊 HIWIN導(dǎo)軌 臺灣上銀滑塊導(dǎo)軌
組件尺寸 | H | 60 | mm |
H1 | 9.5 | mm | |
N | 20.5 | mm | |
滑塊尺寸 | W | 86 | mm |
B | 60 | mm | |
B1 | 13 | mm | |
C | 80 | mm | |
L1 | 128.8 | mm | |
L | 171.2 | mm | |
K1 | 28.9 | mm | |
K2 | 10 | mm | |
G | 12.9 | mm | |
MxL | M10*17 | mm | |
T | 16 | mm | |
H2 | 8.5 | mm | |
H3 | 20.5 | mm | |
導(dǎo)軌尺寸 | WR | 45 | mm |
HR | 38 | mm | |
D | 20 | mm | |
h | 17 | mm | |
d | 14 | mm | |
P | 105 | mm | |
E | 22.5 | mm | |
導(dǎo)軌的固定螺栓尺寸 | 導(dǎo)軌的固定螺栓尺寸 | M12*35 | mm |
基本動額定載荷 | C | 94.54 | kN |
基本靜額定載荷 | C0 | 136.46 | kN |
容許靜力矩 | MR | 2.63 | kN-m |
MP | 2.68 | kN-m | |
MY | 2.68 | kN-m | |
重量 | 滑塊 | 2.75 | kg |
導(dǎo)軌 | 10.41 | kg/m |
TAG:list


